磁性排屑机
磁性排屑机的每组磁性材料的吸附量是固定的,排屑量可根据输送速度、每组磁性材料间距来改变。磁性机床排屑机主要输送长度在50mm以下的导磁断屑、碎屑、粉末屑。机床排屑机价格合理广泛应用于数控机床、组合机床生产线、加工中心等切削加工机床导磁切削的输送。可与其它形式的自动排屑机、过滤机组合使用,达到主机的不同要求,有冷却油输送效果不理想。各部位的外形尺寸、冷却液箱可根据切削机床的不同而设计制造。
关键词:
产品分类:
产品详细
产品介绍
磁性排屑机是利用磁铁的走动,将切屑在每个磁铁上传递,以达到输送切屑的目。适用于湿式加工中粉状切屑的输送,不适用于切屑和切削液中含有较多油污状态下的排屑。
注意:
● 由于受到磁性材料自身特性的影响本多宝一号平台登录机器不宜在温度高于80度的工作环境中使用,反则会因磁场强度的衰减而影响工作效果。
● 由于磁性材料在机器内回转运动,与工作面板间的间隙微小,所以工作面板上严禁异物碰撞或挤压。
● 在湿的环境中,机器长时间不工作,应清理液相,保持干净。
产品特点
01
定量排屑,不产生过载
02
工作可靠,运转平稳,噪音低,寿命长
03
采用自动涨紧机构,自动调整整链条松紧度
产品优势

● 河北瑞奥磁性排屑机针对短卷屑设计,适用于金属铁屑、细铁屑、铸件铁屑。可广泛应用于加工中心,组合机床、铣床、钻床、拉床、自动车床、齿轮加工机床等机械加工设备和自动线的铁屑运输及湿式加工冷却液中的铁屑处理,从而净化了冷却液。
● 还可做为导磁小零件的输送器和提升器,数控机床排屑机是现代机械加工行业中理想的配套设备。
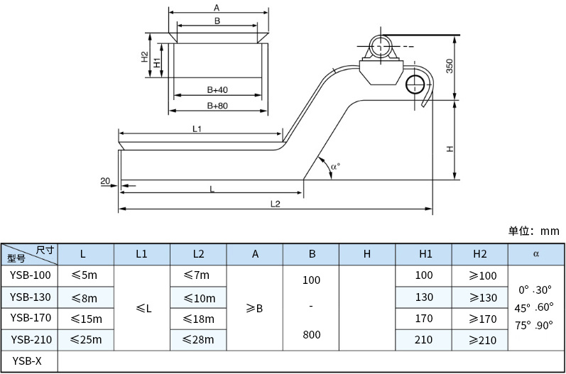
选型参数及外观
适用范围
河北瑞奥磁性数控机床排屑机广泛应用在机床与自动线上(不适用大于100MM长卷切屑和团状切屑,及活塞环加工使用的球墨铸铁),也是水、油冷却加工机床冷却液处理系统中分离铁磁材料切屑的重要排屑装置,尤其以处理铸铁碎屑、铁屑及齿轮机床落屑效果。
上一页:
下一页:
在线咨询
相关产品